Imposante, freistehende Villa mit historischem Charme und großzügiger Wohnfläche
Diese beeindruckende Liegenschaft, die den Stil herrschaftlicher Häuser der Erbauerzeit verkörpert, begeistert mit einer imposanten Sandsteinfassade zur Straßenseite, die den Charme vergangener Zeiten widerspiegelt. Das freistehende Anwesen befindet sich in stadtnaher Lage und verfügt trotzdem über eine ausreichend grüne Umgebung.
Mit einer großzügigen Wohnfläche von ca. 200 m² bietet die Villa insgesamt 8 Zimmer, die auf zwei Etagen verteilt sind sowie zwei voll ausgestattete Einbauküchen und drei modernisierte Badezimmer. Die flexible Raumaufteilung ermöglicht eine vielseitige Nutzung: Bei Bedarf können die beiden Etagen separat genutzt werden, ideal für erwachsene Kinder, Gäste oder als eigenes Refugium für die Eltern.
Innenbereich:
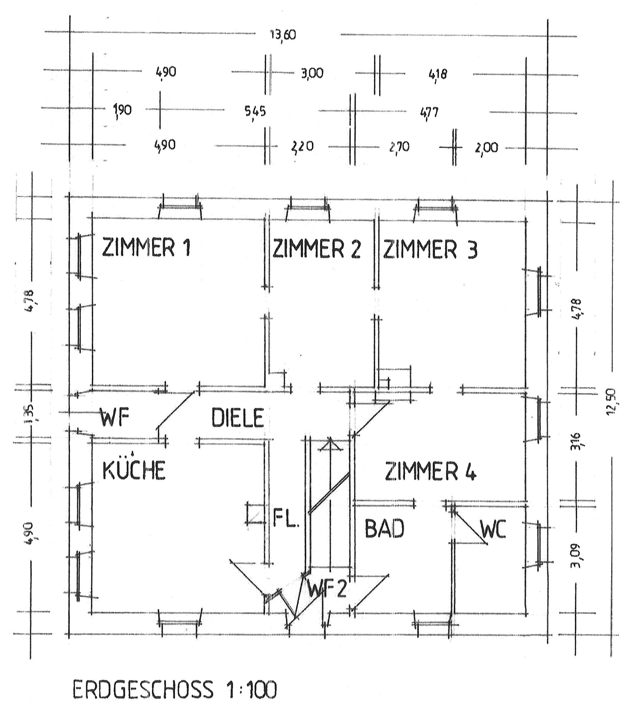
Im Erdgeschoss befinden sich vier helle Zimmer, die reichlich Platz für Wohnen, Arbeiten und Entspannen bieten. Eine großzügige Essküche, die mit einer modernen Einbauküche ausgestattet ist, lädt zu geselligen Kochabenden ein. Ein frisch modernisiertes Badezimmer rundet das Angebot auf dieser Ebene ab.
Das Dachgeschoss umfasst ebenfalls vier Zimmer, zwei stilvoll modernisierte Badezimmer und eine weitere Einbauküche. Diese Etage bietet einen idealen Rückzugsort oder kann als eigenständige Wohneinheit genutzt werden.
Besonders hervorzuheben sind die originalen Dielenböden in den Wohn- und Schlafräumen sowie die zweiflügeligen, isolierverglasten Fenster, die für ein angenehmes Wohnklima und viel natürliches Licht sorgen.
Außenbereich:
Der Außenbereich ist ebenso beeindruckend wie das Innere des Hauses. Eine Terrasse bietet einen schönen Blick ins Grüne und lädt zu entspannten Stunden im Freien ein. Die großzügige Doppelgarage bietet ausreichend Platz für zwei Fahrzeuge und zusätzlichen Stauraum.
Besonderheiten:
• Imposante Sandsteinfassade mit historischem Charme
• Großzügige Wohnfläche von ca. 200 m² auf zwei Etagen
• Insgesamt 8 Zimmer, 2 Einbauküchen, 3 modernisierte Badezimmer
• Flexible Nutzungsmöglichkeit durch separate Etagen
• Originale Dielenböden und zweiflügelige isolierverglaste Fenster
• Unterkellerung mit ausreichend Stauraum
• Terrasse mit Blick ins Grüne und Doppelgarage
Lage:
Die Villa liegt Stadtnähe, Einkaufsmöglichkeiten, Schulen und öffentliche Verkehrsmittel sind schnell erreichbar, was das Anwesen besonders attraktiv für Familien und Stadtliebhaber macht.
Fazit:
Diese beeindruckende Villa bietet viel Platz und zahlreiche Nutzungsmöglichkeiten in einer idyllischen, stadtnahen Lage. Ein ideales Zuhause für alle, die den Charme historischer Architektur schätzen und gleichzeitig moderne Annehmlichkeiten genießen möchten. Vereinbaren Sie noch heute einen Besichtigungstermin und lassen Sie sich von der einzigartigen Atmosphäre dieser besonderen Immobilie verzaubern!
Aufteilung:
Erdgeschoss:
Hauseingangsbereich mit Treppenhaus zum OG
Badezimmer
separate Toilette
große Essküche
Wohnzimmer mit Kaminofen
Esszimmer
Schlafzimmer
Schlaf- oder Gästezimmer
Etagenflur
Dachgeschoss:
Badezimmer
Küche
Esszimmer
Schlafzimmer
Gäste- oder Kinderzimmer
großzügiges Wohnzimmer
Badezimmer II
Keller:
diverse Kellerräume
ebenerdiger Zugang zum Garten und Hof
Heizraum mit Erdgastherme
Außenbereich:
Terrasse
Gartenanlage mit Grünfläche
Doppelgarage
Hoffläche
Die Villa liegt Stadtnähe, Einkaufsmöglichkeiten, Schulen und öffentliche Verkehrsmittel sind schnell erreichbar, was das Anwesen besonders attraktiv für Familien und Stadtliebhaber macht.
Bauweise: massiv,
Dach: Satteldach (Kaltdach)
Eindeckung: Ziegel
Fenster & Türen:
tlw. schallschutzverglaste Fenster
Isolierverglaste Kunststofffenster
Holz-Kassettentüren
Fußboden:
Holzdielen, Stabparkett, Fliesen
Wände und Decken:
tapeziert und gestrichen
Heizung:
Erdgas-Zentralheizung
Flachheizkörper
Kaminofen für feste Brennstoffe
Energieeffizienz:
Energiebedarfsausweis, gültig bis 21.10.2034
Endenergiebedarf: 341,2 kWh /m2*a)
Klasse: H
Versorgung: Erdgas
Baujahr Gebäude: 1900
Baujahr der Heizung gem. Energieausweis: 2018
Sanitärausstattung:
Badezimmer im EG mit
Badewanne, Dusche mit Kabine, Waschbecken
Fußboden mit Holzdielen belegt, Wände gefliest und verputzt
separate Toilette mit Waschbecken
Badezimmer I im DG mit:
Badewanne, Waschbecken mit Unterschrank, Toilette
Wände gefliest und verputzt
Badezimmer II im DG mit:
Badewanne, Waschbecken, Toilette
Wände und Fußboden gefliest
Küche:
Essküche im EG mit hochwertiger, massiver EBK mit Kochinsel
Küche mit EBK im DG
Diverses / Wissenswertes:
Nebenkosten:
Die anfallenden Nebenkosten für Heizung/Warmwasser, Wasser und Strom werden vom Mieter direkt mit den Versorgungsunternehmen abgerechnet.
| Objekt ID: | 202512031 |
| Verfügbar ab: | 01.01.2026 |
| Miete: | 1.680,00 EUR Nettokaltmiete |
| Nebenkosten: | 150,00 EUR |
| Kaution: | 2500 Euro |
| Zimmer: | 8 |
| Schlafzimmer: | 4 |
| Badezimmer: | 3 |
| Wohnfläche: | 240,00 m² |
| Grundstücksfläche: | 1.364,00 m² |
| Baujahr: | 1900 |
| Letzte Renovierung: | 2023 |
| Objektzustand: | modernisiert |
| Kaltmiete: | 1.680 € |
| Stellplätze: | 2 |
| Terrassen: | 1 |
| Bodenbelag: | Fliesen, Parkett, Dielen |
| Badausstattung: | Dusche, Badewanne, Fenster |
| Warmwasser im Energieverbrauch enthalten: | nein |
| Energieausweis-Ausstellungsdatum: | 22.10.2024 |
| Energieausweis-Jahrgang: | ab Mai 2014 |
| Energieausweis-Gebäudeart: | Wohngebäude |
| Heizungsart: | Zentralheizung |
| Baujahr lt. Energieausweis: | 1900 |
| Energieeffizienzklasse: | H |
| Wert des Endenergiebedarfs: | 341,20 kWh/(m²*a) |
| Art des Energieausweises: | Bedarf |
| Gültigkeit des Energieausweises: | 21.10.2034 |






































































